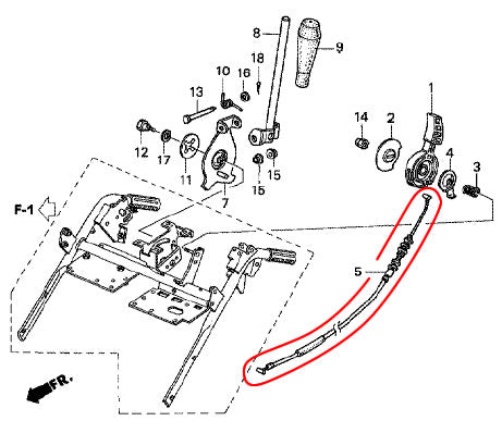
ホンダ除雪機純正パーツ スロットルケーブル 対応機種HS1180i、HS1390i、HSM1180i、HSM1390i 【品番17910-V15-A01】
(0)
在庫情報をご確認の上「配送商品」と「店頭受取」を分けてご注文ください








